Techninis projektas apima išsamų statinių projektavimo planą, kuriame yra nustatomi visi statybos darbai, naudojami resursai, konstrukcijos ir inžineriniai sprendimai. Šis techninis projektas yra esminis ne tik norint pradėti statybas, bet ir siekiant gauti leidimą statyboms.
Valstybės institucijos dažnai reikalauja pateikti išsamų techninį projektą, kad įsitikintų, jog planuojamos statybos atitiks visus reglamentus ir standartus bei nekels pavojų aplinkai ar žmonių saugumui. Be to, turint techninį projektą, statybininkai ir inžinieriai gali efektyviai planuoti ir vykdyti statybos darbus, užtikrindami jų kokybę ir efektyvumą.
Interjero Dizaino Techninis Projektas
Interjero dizaino techninis projektas apima funkcinį baldų išdėstymą ir ergonominį patalpų zonavimą. Tai padeda prieš darbus pamatyti, kaip gali atrodyti būsimas interjeras.
Pagrindiniai interjero dizaino plano elementai:
- Funkcinis baldų išdėstymo 2D planas, kuriame nurodomos tikslios baldų vietos ir jų dydžiai, atsižvelgiant į patalpos erdvių zonavimą, specifiką ir ergonomiką.
- Pertvarų planas, reikalingas, kai yra perplanuojamos erdvės. Brėžinyje sužymėtos visos griaunamos ir naujai formuojamos pertvaros, pertvarų storiai, tipai, atstumai.
- Elektros instaliacijos planas, kuriame pavaizduoti visi elektros instaliacijos taškai, tokie kaip rozetės, jungtukai ir apšvietimas. Taip pat sužymėti visi atstumai ir aukščiai.
- Atsižvelgiant į patalpų specifiką ir baldų išdėstymą, apšvietimo plane sužymimi visi apšvietimo taškai, bei apšvietimo tipai. Taip pat nurodomos tikslios jungtukų vietos bei sukuriamas apšvietimo valdymo scenarijus.
- Santechnikos planas, kuriame tiksliai nurodomi visi santechniniai prietaisai. Tai yra atstumai, aukščiai, karšto/šalto vandens bei nuotekų pajungimo vietos.
- Lubų planas, kuriame nurodomi lubų tipai, sužymimos reikalingos nišos užuolaidoms ar paslėptam apšvietimui, atsižvelgiant į baldų ir apšvietimo išdėstymą.
- Virtuvės baldams daromos sienų išklotinės , kuriuose nurodomi baldų matmenys, numatomos buitinės technikos vietos, spalvinis koloritas, durelių atidarymo kryptis ir kitos reikalingos detalės.
- Sienų išklotinės, kuriose yra plytelių dėliojimo schema, spintelių ar veidrodžių dydžiai, aksesuarų vietos, projektuojamos nišos ir kt. Šiame projekte yra sužymėtos tikslios santechnikos prietaisų vietos ir aukščiai.
- Fotorealistinė 3D vizualizacija padeda susidaryti viziją, kaip turėtų atrodyti jūsų interjeras.
- Interjero išklotinė tai sąrašas baldų, aksesuarų, įrangos, šviestuvų, plytelių, kilimų ir t.t.
Jeigu užsisakote du ir daugiau brežinių, kiekvienas papildomas brėžinys kainuos 10% pigiau ir nuolaidos sumuojasi (galioja tik šiame puslapyje esančioms nuolaidoms).

Elektros Energetikos Objekto Techninis Projektas
Šis aprašymas parodo kaip ir ko reikia norint parengti ESO (LESTO) projektą pagal išduotas technines sąlygas. Elektros energetikos objektai ir įrenginiai statomi vadovaujantis Statybos įstatymo ir jo įgyvendinamųjų teisės aktų nustatyta tvarka.
Tinklo architektūrų supratimas: 4 įprasti tinklo dizainai
Kiekvieno užsakyto suprojektuoti objekto Projektas pateikiamas AB ESO (LESTO) atspausdintas 3 egzemplioriais, skaitmeninė jo kopija, įrašyta į kompaktinį diską (brėžiniai ir schemos DWG bylose,AUTOCAD-2000 versija, kiti dokumentai PDF bylose), 1 egzempliorius konkursinės medžiagos skaitmeninėje laikmenoje, PDF bylose.
Schemose ir brėžiniuose nauji skirstomojo tinklo elementai braižomi AUTOCAD (REVIT, nemokama Draftsight, ZWCad ir kt.) programa, sukuriant naujus sluoksnius ir pažymint atitinkamu kodu, kaip nurodyta 1 lentelėje.
1 lentelė. Sluoksnių kodai
Projekto Sudėtis:
- Titulinis lapas (aprašymas pateiktas 1.1.)
- Projekto sudėties žiniaraštis (aprašymas pateiktas 1.2.)
- Projekto pritarimų lentelė (aprašymas pateiktas 1.3.)
- Projekto dalies tekstinių dokumentų žiniaraštis (aprašymas pateiktas 1.4.)
- Projekto dalies brėžinių žiniaraštis (aprašymas pateiktas 1.5.)
- Kabelių žiniaraštis (aprašymas pateiktas 1.7.)
- Aiškinamasis raštas (aprašymas pateiktas 1.8.)
- Sąnaudų kiekių žiniaraščiai (rengiami užsakovui pageidaujant).
Aiškinamasis Raštas (1.8)
Aiškinamajame rašte būtina nurodyti:
- 1.8.1. Nurodoma, kokia patikimumo kategorija yra užtikrinama ir kokia objektui skirta suminė leistinoji galia; jeigu yra projektuojama, pvz., antra ir trečia patikimumo kategorija, tai privaloma tiksliai nurodyti, kiek galios turi būti vienos ar kitos kategorijos.
- 1.8.3. Darbų vykdymo planas / projektas - nurodoma, ar darbai turėtų būti atliekami vienu ar keliais etapais, t. y. jei darbai atliekami vienu etapu, nurodomas vienas etapas, o jei keliais etapais, tai nurodomi etapai išskaidant ir aprašant etapų darbų apimtis. Siekiant neviršyti vartotojų įrenginių vienkartinio atjungimo laiko, nustatyto teisės aktuose, rengiamas detalus darbų vykdymo projektas.
- 1.8.4. Detalus projektuojamų darbų aprašymas - viskas surašoma projektuojamų ar / ir rekonstruojamų elektros tinklų įtampos mažėjimo tvarka: 110 kV, 35 kV, 10 kV, 6 kV ir t. t., nurodant tikslius prijungimo taškus bei elektrinius adresus.
- 1.8.5. Specifiniai darbai (hidroizoliacija, vertikalus planiravimas, apskaitos prietaisų patalpų paruošimas, bendrai naudojamų atramų klausimai ir t. t.). Nurodomas darbų sudėtingumas, pvz., kabelių linijoms - gatvės, pradūrimai, senamiestis, pasėliai, privačios žemės ir t.
- 1.8.6. Įžeminimo įrenginio įrengimo išaiškinimas (koks MTT įžeminimo išpildymas, t. y., ar tai būtų giluminis gręžtinis, ar variuotais elektrodais, koks KS/KAS įžeminimas ir t. t.
Kiti Svarbūs Aspektai
- 1.9.3. Įtampos kitimo skaičiavimai - skaičiavimais pateikiama naujai projektuojamos tinklo dalies įtaka įtampos kritimų pasikeitimui, įtaka kitiems vartotojams.
- 1.10.3. Žemės sklypų savininkų pareiškimai, dėl žemės naudojimo sąlygų - pateikiami tais atvejais, kai elektros tinklai projektuojami esamų apsaugos zonų ribose; pareiškimai segami kartu su registro išrašais pabraukiant aktualius laukus, t.
- 1.10.5. Registrų centro išrašas - segami kartu su pareiškimais pabraukiant aktualius laukus, t. y., kad registre įregistruota apsaugos zona.
- 1.11.1. Įrenginių, gaminių bei medžiagų techniniai reikalavimai pateikiami elektros tinklų įtampos mažėjimo tvarka: 110 kV, 35 kV, 10 kV, 6 kV ir t. t.
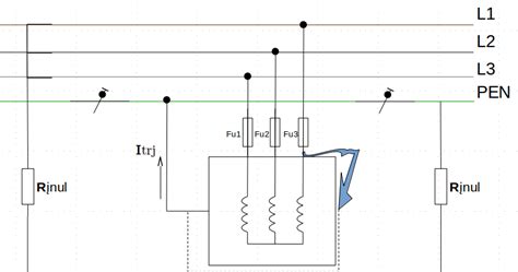
- 1.12. Schemos, brėžiniai (projektiniai sprendimai)- pateikiami projektiniai sprendimai, pagrįsti skaičiavimais ir pavaizduoti brėžiniais.
- 1.14. Sąmatos - pateikiami skaičiavimai, įvertinantys įrenginių, gaminių, medžiagų, statybos montavimo darbų ir mechanizmų sąnaudų kainą, įskaitant visas papildomas išlaidas.
- 1.15. Konkursinė medžiaga - rangovų pateikiamų pasiųlymų kainos nustatymui, darbų ir medžiagų poreikio žiniaraščiai turi būti pateikiami pagal patvirtintą pavyzdinę formą „Sustambintų darbų kiekių žiniaraštis“ (nenurodant piniginės išraiškos ir paliekant tik konkrečiam projektui reikalingą informaciją).
Rengiamų techninio ir techninio darbo projektų atskiros dalys, įvertinant jų specifiką, turi būti sukomplektuotos, vadovaujantis I.
