Šildymo sistemos pasirinkimas - svarbus sprendimas, lemiantis komfortą ir energijos sąnaudas. Šiame straipsnyje aptarsime įvairius šildymo sprendimus, jų privalumus ir trūkumus, taip pat atkreipsime dėmesį į termostatus, kurie leidžia individualiai reguliuoti temperatūrą kiekvienoje patalpoje.

Grindinis šildymas: elektrinis ar vandens?
Yra du pagrindiniai grindinio šildymo tipai: elektrinis ir vandens pagrindu veikiantis šildymas. Abiejų sistemų veikimas yra panašus. Po grindimis yra klojamas vamzdynų tinklas (vandens šildymui) arba elektros kabeliai (elektriniam šildymui).
Elektrinis grindinis šildymas
Elektriniame grindiniame šildyme šildymo kilimėliai klojami po grindimis. Šildymo kilimėliai klojami ant lyginamojo sluoksnio (smėlio ir cemento), kad paviršius būtų lygus. Po to dedamas izoliacinis sluoksnis, kad šiluma keliautų į viršų, o ne žemyn. Elektrinis grindinis šildymas yra pigesnis nei vandens grindinis šildymas ir taip pat lengviau montuojamas. Tačiau kadangi elektra nėra tokia efektyvi šildant kaip dujos, eksploatacijos išlaidos yra didesnės. Perkant elektrinį grindinį šildymą, labai svarbu pasirinkti sistemą, kurios galia atitiktų jūsų poreikius. Reikalinga galia priklausys nuo patalpos dydžio, jos izoliacijos kokybės ir grindų dangos tipo, esančio po ir virš šildymo kilimėliais. Pavyzdžiui, mažai, gerai izoliuotai patalpai su gerai šilumą praleidžiančiomis grindimis, tokiomis kaip keramika ar akmuo, reikės mažesnės galios šildymo kilimėlių.
Vienas iš privalumų renkantis elektrinį grindinį šildymą yra tas, kad jį gali sumontuoti patyręs meistras ar patys namų savininkai. Montavimas: elektrinis grindinis šildymas lengviau ir pigiau įrengiamas jau esamuose namuose. Elektrinis grindinis šildymas kainuoja mažiau nei vandens grindinis šildymas. Tačiau reikia atsižvelgti į kitas medžiagas, tokias kaip izoliacija ir lyginamasis sluoksnis. Elektrinį grindinį šildymą gali įrengti bet kuris patyręs meistras ar namų savininkas. Profesionalios grindinio šildymo įmonės taip pat gali atlikti darbą už jus. Elektrinio grindinio šildymo įrengimas trunka apie vieną ar dvi dienas, atsižvelgiant į laiką, reikalingą lyginamajam sluoksniui išdžiūti.
Vandens grindinis šildymas
Vandens grindinis šildymas dar vadinamas „šlapiojo tipo“ šildymu. Vamzdžiai klojami ant izoliacinio sluoksnio, kad šiluma keliautų į viršų, o po to padengiami lyginamuoju sluoksniu (smėlio ir cemento), kad paviršius būtų lygus. Kai vamzdžiai yra sumontuoti, jie prijungiami prie kolektoriaus, kuris yra prijungtas prie katilo ir šildymo sistemos. Šiltas vanduo cirkuliuoja vamzdžiais taip pat, kaip ir radiatoriuose. Grindinio šildymo sistemos, naudojamos kartu su šilumos siurbliu, yra iki 40% efektyvesnės nei naudojant katilus ir radiatorius. Taip yra todėl, kad šilumos siurbliai tiekia šilumą mažesnėje temperatūroje nei tradicinės šildymo sistemos.
Kadangi vandens grindinis šildymas naudoja vandenį, kurio temperatūra yra apie 40-45°C (palyginus su radiatoriais, kurie veikia esant 70-80°C temperatūrai), šilumos siurbliai ir grindinis šildymas puikiai dera. Šilumos siurbliai taip pat yra puikus pasirinkimas aplinkai, nes naudojant atsinaujinančios energijos tiekėją jie neišskiria anglies dioksido. Vandens grindinis šildymas yra brangesnis nei elektrinis grindinis šildymas. Jį taip pat gali būti sunkiau įdiegti, ypač jei jis montuojamas jau esamame pastate. Jam reikia daugiau vietos nei elektrinėms sistemoms, todėl esant jau esamam pastatui, gali reikėti iškasti grindis arba pakelti grindų lygį, kas turės įtakos durims ir kitoms patalpos detalėms. Teigiama yra tai, kad vandens pagrindu veikiančios centrinio šildymo sistemos yra efektyvesnės nei elektrinės sistemos.
Renkantis vandens grindinį šildymą, labai svarbu įsitikinti, kad sistema atitiks namų šildymo poreikius. Taip yra todėl, kad šios sistemos veikia žemesnėje temperatūroje nei radiatoriai - paprastai nuo 27-31°C. Vandens grindinio šildymo montavimas yra darbas, kurį turi atlikti kvalifikuotas šildymo inžinierius. Tai apima vamzdynų montavimą, kolektoriaus įrengimą ir sistemos prijungimą prie katilo ar kitos šildymo sistemos bei jos testavimą. Vandens grindinio šildymo montavimas yra sudėtingas darbas, o jo trukmė gali skirtis priklausomai nuo reikalingų parengiamųjų darbų. Montuojant naujame pastate, kur galutinės grindys dar nėra paklotos, darbas bus greitesnis nei renovuojant esamą pastatą. Tačiau, kaip bendras gidas, galima tikėtis, kad tai truks bent dvi dienas. Rekomenduojame vandens grindinį šildymą įrengti kvalifikuotam santechnikui arba šildymo inžinieriui. Jei sistema prijungiama prie katilo, galutinį prijungimą turi atlikti sertifikuotas „Gas Safe“ inžinierius. Taip pat reikalingi elektros darbai, kad sistema būtų prijungta prie termostato ir programuotojo.

Grindų tipai ir grindinis šildymas
Dauguma grindų tipų tinka naudoti su grindiniu šildymu. Tačiau kai kurie tipai veikia geriau nei kiti. Viskas priklauso nuo to, kaip gerai jie praleidžia šilumą. Grindys, esančios po grindiniu šildymu, yra tokios pat svarbios kaip ir grindys, kurios dedamos ant viršaus. Montuojant grindinį šildymą ant betoninių grindų, pirmiausia reikia uždėti drėgmės izoliacinę plėvelę, tada ant jos įrengti izoliacines plokštes.
- Sluoksniuotos medinės grindys laikomos viena iš geriausių grindinio šildymo medinių grindų pasirinkimo galimybių, nes jos gerai veikia su kintančiomis temperatūromis. Ieškokite sluoksniuotų medinių grindų, kurių storis yra 150 mm.
- Natūrali mediena gerai veikia su grindiniu šildymu. Pirmiausia patikrinkite, kokia yra maksimali temperatūra, kurią mediena gali atlaikyti. Ji turi būti galimybė įšilti iki 27°C, kad būtų suderinama su grindiniu šildymu. Kitaip mediena gali deformuotis, susitraukti ar pakeisti spalvą.
- Laminuotos grindys: Norėdami maksimaliai perduoti šilumą, ieškokite laminuotų grindų, kurių storis yra ne daugiau kaip 18 mm.
- Akmeninės ir keramikinės plytelės yra geriausi šilumos laidininkai, palyginti su visais kitais grindų tipais, todėl jos yra idealios grindiniam šildymui.
- Vinilinės grindys gerai veikia su grindiniu šildymu, nes šiluma gali lengvai prasiskverbti per jų ploną paviršių. Tačiau visada patikrinkite gamintojo rekomendacijas, nes dauguma vinilinių grindų negali būti šildomos daugiau nei 26°C.
- Kilimai gali būti naudojami su grindiniu šildymu, tačiau jie yra mažiausiai efektyvūs iš visų grindų tipų, nes šiluma ilgai pasieks paviršių.
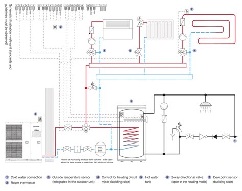
Kolektorinis šildymas
Kolektorinis šildymas vis dažniau tampa pagrindiniu pasirinkimu tiek naujai statomuose, tiek renovuojamuose namuose. Ši sistema pasižymi ne tik efektyvumu, bet ir patogumu, nes leidžia individualiai reguliuoti kiekvienos patalpos temperatūrą bei optimizuoti energijos sąnaudas. Kolektorinis šildymas - tai sistema, kurios veikimo pagrindas yra šilumos paskirstymas per specialų kolektorių. Kolektorius - tai tam tikras mazgas, prie kurio prijungiami visi šildymo kontūrai. Kiekviena patalpa ar šildymo zona turi atskirą grandinę, per kurią teka šilumnešis (dažniausiai vanduo arba specialus skystis). Tai skiriasi nuo tradicinių sistemų, kuriose radiatoriai jungiami nuosekliai. Viena pagrindinių priežasčių, kodėl vis daugiau žmonių renkasi kolektorinį šildymą, yra jo universalumas ir modernumas.
Kolektorinė šildymo sistema veikia cirkuliacijos principu. Šildymo katilas arba šilumos siurblys pašildo šilumnešį iki nustatytos temperatūros, tada šis per pagrindinius vamzdžius patenka į kolektorių. Kolektoriuje šiluma paskirstoma į kiekvieną šildymo kontūrą, t. y. į konkrečias patalpas ar zonas. Dėl šio veikimo principo kolektorinis šildymas ypač efektyviai veikia kartu su grindiniu šildymu. Grindinis šildymas reikalauja tolygaus ir žemesnės temperatūros šilumnešio tiekimo, o kolektorius tai užtikrina idealiai. Pagal šilumos paskirstymo būdą ir naudojamus vamzdžius kolektorinės sistemos gali būti skirtingų tipų. Grindinis šildymas: populiariausia kolektorinio šildymo forma. Kai kuriais atvejais šios sistemos gali būti derinamos, pavyzdžiui, grindinis šildymas pirmame aukšte, o radiatorinis - antrame.
Kolektorinio šildymo įrengimas reikalauja profesionalaus požiūrio ir tikslaus planavimo. Pirmiausia turi būti parengtas šildymo projektas, kuriame numatomas vamzdynų ilgis, kontūrų skaičius bei reikiamas šilumos kiekis kiekvienai zonai. Nors pati sistema gali atrodyti sudėtinga, jos priežiūra nėra sudėtinga. Reikia tik reguliariai tikrinti slėgį, pašalinti orą iš kontūrų ir užtikrinti, kad termostatai veiktų tinkamai. Taip, kolektorinę sistemą galima įrengti ir renovuojamuose pastatuose, tačiau reikėtų įvertinti izoliaciją bei grindų konstrukciją. Kaina priklauso nuo namo ploto, pasirinktos sistemos tipo ir įrangos kokybės. Kokybiškai įrengta ir tinkamai prižiūrima sistema gali tarnauti 30 ir daugiau metų. Kolektorinis šildymas - tai ne tik patogumas, bet ir tvarus pasirinkimas. Modernūs termostatai bei automatinio valdymo sprendimai leidžia maksimaliai išnaudoti energiją. Naudojant atsinaujinančius energijos šaltinius, pavyzdžiui, geoterminį ar saulės šildymą, ši sistema tampa itin ekologiška.

11 Grindinio šildymo kolektoriaus žiedų nustatymas
Termostatai
Grindinio šildymo sistemose termostatas gali būti montuojamas kiekvienoje patalpoje ar šildymo zonoje, o ne tik viename termostate, kuris valdo visą turtą. Yra keletas termostatų tipų, tokių kaip paprasti su sukamuoju ratuku, termostatai su skaitmeniniu ekranu ir išmanieji termostatai, kuriuos galima valdyti telefonu ar planšetiniu kompiuteriu.
Alternatyvūs šildymo sprendimai
Be grindinio ir kolektorinio šildymo, yra ir kitų šildymo sprendimų, tokių kaip:
- Infraraudonųjų spindulių šildytuvai: Generuoja šilumą pagal natūralų saulės spinduliuotės principą. Jie tiesiogiai šildo ne aplinkos orą, o objektus ir žmones, esančius šalia šildytuvo.
- Šilumos siurbliai: Efektyviai šildo patalpas, ypač kartu su grindiniu šildymu. Jie taip pat yra puikus pasirinkimas aplinkai, nes naudojant atsinaujinančios energijos tiekėją jie neišskiria anglies dioksido.
- Konvekciniai radiatoriai: Gali užšalti, jei yra išjungti esant žemai temperatūrai.
Šildymo sistemos pasirinkimas A++ klasės namui
Planuojant statyti A++ klasės namą, svarbu pasirinkti tokią šildymo sistemą, kuri atitiktų naujausius reikalavimus ir būtų finansiškai naudinga. Pagal naujausius reikalavimus, 50% namo šildymui būtina rinktis iš atsinaujinančių energijos šaltinių. Siūloma rinktis oras-oras šilumos siurblį, nes oras-vanduo jūsų kvadratūrai neapsimoka dėti. Efektyvumas visų šilumos siurblių deja mažėja esant žemesnėms temperatūroms.
Šildymo sistemos palyginimas
Renkantis šildymo sistemą svarbu atsižvelgti į įvairius faktorius, tokius kaip įrengimo kaina, eksploatacijos išlaidos, efektyvumas ir patogumas. Štai palyginimas tarp skirtingų šildymo sistemų:
| Šildymo sistema | Įrengimo kaina | Eksploatacijos išlaidos | Efektyvumas | Privalumai | Trūkumai |
|---|---|---|---|---|---|
| Elektrinis grindinis šildymas | Žema | Aukšta | Žemas | Lengvas montavimas | Aukštos eksploatacijos išlaidos |
| Vandens grindinis šildymas | Aukšta | Vidutinė | Aukštas | Efektyvus, tolygus šildymas | Sudėtingas montavimas, didesnė įrengimo kaina |
| Oras-vanduo šilumos siurblys | Aukšta | Žema | Aukštas | Efektyvus, mažos eksploatacijos išlaidos | Aukšta įrengimo kaina, efektyvumas mažėja esant žemai temperatūrai |
| Oras-oras šilumos siurblys | Vidutinė | Vidutinė | Vidutinis | Pigesnis įrengimas, geras koeficientiškumas | Girdimas garsas |
| Infraraudonųjų spindulių šildytuvai | Žema | Vidutinė | Vidutinis | Tiesioginis šildymas, greitas įšilimas | Šildo tik tiesiogiai, mažiau efektyvus didelėms patalpoms |
tags: #termostatas #kiekvienai #patalpai