Elektros jungikliai yra būtini kiekvienuose namuose ir biuruose, leidžiantys valdyti apšvietimą ir kitus elektros prietaisus. Šiame straipsnyje aptarsime įvairius elektros jungiklių tipus, jų veikimo principus ir montavimo ypatumus.

Elektros Jungiklių Klasifikacija
Elektros jungikliai rūšiuojasi pagal jų paskirtį, perjungimo būdą ir technologijas. Yra senamadiški, išmanūs, sensoriniai ir perėjimo jungikliai.
- Senamadiški jungikliai: Reikalauja fizinio prisilietimo ir paspaudimo. Jų bei jungiklių rėmelių asortimentas yra labai platus.
- Išmanūs šviesos jungikliai ir sensoriniai jungikliai: Patys nusprendžia, kada jums reikės apšvietimo.
- Perėjimo jungikliai: Leidžia valdyti apšvietimą iš kelių vietų.
Šviesų jungikliai, kalbant apie naujausias jų technologijas, taip pat nestovi vietoje. Išmanusis apšvietimas darosi vis populiaresnis kompanijose, kurios suinteresuotos elektros energijos taupymu. O tai yra tikriausiai visos kompanijos šiais visuotinio tausojimo laikais.
Perėjimo Jungikliai: Valdymas iš Kelių Vietų
Norint patogiai valdyti apšvietimą ir elektros prietaisus dideliuose butuose, dažnai naudojamas perėjimo jungiklis. Tokie įtaisai yra skirti užtikrinti kuo patogesnį elektros vartotojų darbą. Privačiuose apartamentuose jų įrengimas naudojamas apšvietimo įtaisams valdyti laiptuose, koridoriuose, miegamuosiuose ir kitose vietose, kur gali nepakakti vieno įrenginio įrengimo, kad būtų patogu įjungti kambario šviesą. Tokių jungiklių alternatyva gali būti prietaisai.
Praeinančių šviesos jungiklių klasifikacija tiesiogiai priklauso nuo jų konstrukcijos ir funkcionalumo. Paprasčiausias perėjimo jungiklis yra produktas, turintis tris gnybtus laidams prijungti, vienas iš jų yra įėjimas, o du yra išėjimai. Šio perjungimo įtaiso darbinis kontaktas turi tik dvi pozicijas, vienoje iš jų viena linija yra uždaryta, o kitoje - antroji. Paspaudus jungiklio mygtuką, jo kontaktinė grupė keičia savo padėtį, taip atidarydama vieną iš grandinių ir tuo pačiu uždarydama antrąją.
Kai kurie tokių prietaisų modeliai taip pat turi tarpinę kontaktinę padėtį, kurioje jie abu yra atviroje padėtyje. Jų konstrukcija skiriasi tuo, kad joje yra pora tarpusavyje sujungtų kontaktų, kurių perjungimas įvyksta vienu metu, kai paspaudžiamas klavišas. Tokie gaminiai gali būti gaminami trimis ir dviem klavišais. Norint užtikrinti apšvietimo valdymą iš dviejų vietų, būtina naudoti perjungimo grandinę, apimančią du tokius gaminius.
Pakeitus bet kurio iš jų kontaktų padėtį, įjungiama arba išjungiama apšvietimo prietaiso įtampa. Kaip matyti iš paveikslo, pralaidžių jungiklių jungimo schema turi tam tikrų skirtumų nuo analogiškos įprastų perjungimo įtaisų schemos. Labiausiai tai primena įprasto dvigubo jungiklio ryšį, tačiau yra esminis skirtumas, kuris susideda iš to, kad bet kurioje uždarymo kontaktų padėtyje viena iš dviejų perjungtų grandinių yra uždaryta.
Perėjimo jungiklis, kurio schema parodyta paveikslėlyje, leidžia valdyti apšvietimą iš dviejų vietų. Praktiškai dažnai pasitaiko situacijų, kai reikia naudoti sudėtingesnius prietaisus, kurie suteikia galimybę kontroliuoti darbą.
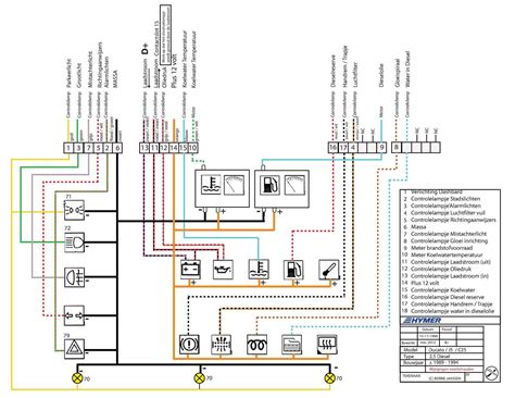
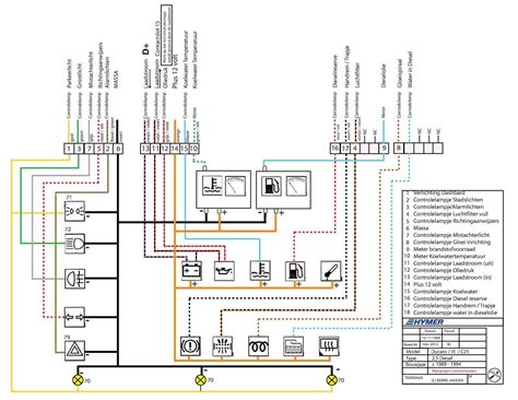
JUNGIKLIO IR KIŠTUKINIO LIZDO BLOKAS, LAIDŲ PAJUNGIMAS
Perėjimo Jungiklio Montavimas
Montavimas perėjimo jungiklio nėra per sunki užduotis. Paprastai bet kokių laidų elementų montavimo laidai atliekami atliekant didelio masto remonto darbus, įskaitant kabelių klojimą grioveliuose, taip pat ruošiant ir montuojant jungiklių dėžutes.
Norint užtikrinti patikimą prietaiso kontaktų sujungimą su laidais, jie turėtų išsikišti ne mažiau kaip 60 mm už dėžutės krašto. Jei jau buvo atlikti montavimo dėžių laidų ir montavimo darbai, turėtumėte juos paruošti jungiklių montavimui. Norėdami tai padaryti, turite atlaisvinti visų laidų galus (jų skaičius priklauso nuo jungiklio konstrukcijos) nuo izoliacijos 50-150 cm.
Montavimo Žingsniai
- Pirmas dalykas, kurį reikia padaryti, yra išjungti elektros laidų elementų įtampą su pagalba, įrengta prie įėjimo į butą.
- Prieš atliekant bet kokius veiksmus su elektros laidų elementais, turite įsitikinti, kad nenaudojama įtampa indikatorinis atsuktuvas ar testuotojas.
- Laidai sujungiami su gnybtais, naudojant žymes ant gaminio korpuso. Tokiu atveju įeinantis laidas žymimas raide L (L1 ir L2, jei jungiklis yra dviejų klavišų), o išeinantys - rodyklėmis. Kartais laido schema taikoma korpuso gale.
Pažymėtina, kad nuo jungties dėžutė tokiam įtaisui tinka trijų gyslų laidas, fazės įtampa į jungiklį tiekiama per vieną iš trijų jo šerdžių, o kiti du yra išeinantys laidai.
Ypatingą dėmesį reikėtų atkreipti į schemoje nurodytų dviejų jungiklių tarpusavio sujungimo tvarką. Tam reikia naudoti jungties dėžę. Tačiau praktikoje dažnai yra tikslingiau dviejų laidų laidą paleisti tiesiai iš vieno įrenginio į kitą, o tai leidžia žymiai sutaupyti.

Paveikslėlyje parodyta vienos šviestuvų grupės prijungimo schema, kurią galima valdyti iš penkių skirtingų taškų. Pateiktas pirmasis ir paskutinis punktas nuoseklusis ryšys yra perėjimo jungiklis.
Kryžminis Jungiklis
Įrenginys kryžminis jungiklis yra gana paprasta. Jame yra dvi kontaktų poros, prie kurių prijungtas įeinantis ir išeinantis dviejų laidų laidas. Paspaudus mygtuką, anksčiau uždaryti kontaktai vienu metu atidaromi ir uždaromi. Džemperiai tarp tokio prietaiso kontaktų, kurie parodyti paveikslėlyje, reikalingi vizualesniam jo veikimo demonstravimui.
Norėdami vienu metu valdyti dvi vartotojų grupes, turite naudoti dviejų klavišų jungiklį. Kaip matote iš paveikslo, kiekvienas dviejų klavišų įtaisas turi šešis gnybtus laidams prijungti. Jie išdėstyti taip, kad neįmanoma aiškinti dviprasmiškai kiekvienos atskiros elektros grandinės kontaktų vietos. Ir vis dėlto turėtumėte atkreipti dėmesį į laidų spalvų kodavimą.
Pagal visuotinai priimtas taisykles įžeminimo laidininko izoliacija yra geltonai žalia, o nulis - mėlyna. Kalbant apie praeinamojo jungiklio montavimo būdą, tada jis, kaip ir kiti elektros laidų įtaisai, gali turėti vidinį arba išorinį diegimo būdą.
Perėjimo Jungiklių Panaudojimas
Norėdami organizuoti šviestuvų valdymą iš kelių vietų, naudojami tokie jungikliai. Perėjimo jungiklių taikymas ypač naudinga kontroliuojant laiptinės apšvietimą. Apšvietimo lempos jungimo schema apačioje vienas jungiklis leidžia įjungti lempas, o pakilus laiptais, su kitu jungikliu, jis išjungiamas.
Jei jums reikia nusileisti, tada įjunkite šviesą naudojamas perėjimo jungiklis viršuje, o išjungti - apačioje. Perėjimo jungikliai bus labai naudingi ne tik ilgų koridorių ir daugiaaukščių pastatų savininkams, jie bus labai naudingi mažų butų gyventojams.
Pavyzdžiui, bute yra perėjimo kambarys, prie kurio įėjimo įsijungia šviesa, paskui pereinant į kitą kambarį, jame įsijungia šviesa, o praėjimo kambaryje ji išsijungia perėjimo jungiklis, kuris jau tapo nereikalingu apšvietimu. Arba kitas pavyzdys. Kai buto gyventojas įeina į miegamąjį, tada prie durų įsijungia šviesa, o einant miegoti įsijungia švirkštą ar stalinė lempaskaityti prieš einant miegoti, bet dabar jam reikia atsikelti, eiti prie durų ir išjungti šviestuvą.
Norint įgyvendinti tokią valdymo schemą, tam naudojami vadinamieji „perėjimo jungikliai“, kurie yra jungikliai. Bet kokios rūšies lempa (nuo kaitrinės iki fluorescencinės, šviesos diodų ir energijos taupymo) gali būti naudojama kaip tokios grandinės šviesos šaltinis.
Perėjimo Jungiklių Jungimas
Procedūra nedaug skiriasi perėjimo jungiklius jungtys nuo įprasto jungiklio prijungimo. Iš jungties dėžutės fazinis laidas sujungtas su bendru pirmojo jungiklio įvesties kontaktu. Du kiti (išvesties) kontaktai yra prijungti prie laidų, kurie gaunami iš panašių antrojo jungiklio kontaktų.
Kartais reikia suteikti ne du apšvietimo valdymo taškus, o tris ar daugiau. Pavyzdžiui, ant kelių aukštų pastato laiptų kiekviename aukšte reikia įjungti ir išjungti žibintus. Norėdami įgyvendinti šią schemą, be paprastų perėjimo jungiklių, jums taip pat reikės kryžminių jungiklių. Tokie jungikliai nebeturi trijų kontaktų, o keturis - du įėjimus ir du išėjimus, kurie yra dvi vienu metu perjungtų kontaktų poros.
Valdymo taškų skaičius neribojamas, tačiau jungimo dėžėje perjungimo sudėtingumas padidėja dėl to, kad į jį tiekiama daug laidų. Prijungimo principas yra toks: pirmojo perėjimo jungiklio kontaktų išvesties pora yra prijungta prie laidų, einančių į kito perėjimo jungiklio įvesties porą ir toliau, iki paskutinio perėjimo jungiklio, kurio bendras kontaktas yra prijungtas prie laido, einančio į lempą.
Dvigubas Perėjimo Jungiklis
Maksimalus patogumo lygis turi garantuoti ne tik jungiklio funkcionalumą, bet ir jo praktiškumą. Dviejų klavišų (dvigubas) perėjimo jungiklis iš esmės yra du vienkartiniai jungikliai tame pačiame korpuse, kurie veikia pagal tą patį veikimo principą - „apversti“ kontaktus.
Jungiklyje yra žymimasis indikatorius, kuris informuoja apie rakto padėtį įjungiant šviesą ir rakto padėtį, norint išjungti šviesą. Kai lemputė jau įjungta (nesvarbu, kuris perėjimo jungiklis), galite paspausti dvigubo jungiklio mygtuką ir valdyti apšvietimą.
Tinkamai surinkta dvigubo jungiklio jungimo schema leidžia valdyti dvi skirtingas apšvietimo grupes iš dviejų vietų nepriklausomai viena nuo kitos. Du dviejų mygtukų jungikliai montuojami pasirinktose vietose diegimo dėžėse (lizdo dėžėse).
Dedamos visos sujungto apšvietimo grupės: lempos, žvakidės ar liustra su keliais šviesos taškais. Kiekviename šviesos šaltinyje turi būti vienas trijų gyslų kabelis: fazinis (L), apsauginis (įžemintas), darbinis nulis (N).
Reikiamo ilgio (3×1,5 mm2) kabelis parenkamas atsižvelgiant į tai, kad jungikliams tinka 6 kontaktai - du trijų gyslų laidai. Jungiamojoje dėžutėje (RK) laidai sujungiami pagal schemą. Tokią grandinę galima įdiegti naudojant keturis vieno jungiklio jungiklius, tačiau pakeitimas nebus racionalus.
Dvigubą perėjimo jungiklį galima paversti vienu jungikliu. Be to, bet kurį perėjimo jungiklį galima naudoti kaip įprastą. Tokiu atveju vienas iš kontaktų yra arba neprijungtas, arba taip pat yra prijungtas dar vienam nepriklausomam esamos apšvietimo linijos reguliavimui.
Straipsnyje aptariamas kontrolės punkto veikimo principas ir svirties jungiklis, rodomos jungiklių, skirtų apšvietimui valdyti iš dviejų, trijų ar daugiau vietų, prijungimo schemos.
Perdavimo Jungiklio Veikimo Principas
„Pass-through“ jungiklio sukūrimo idėja nėra nauja, pirmosios grandinės radijo mėgėjų namuose atsirado 60-aisiais, o ypatingą populiarumą ji įgijo praėjusio amžiaus devintajame dešimtmetyje, kai rinkoje pasirodė pirmieji importuoti jungikliai, „aštrūs“ valdomi lempos iš skirtingų vietų.
Perdavimo jungiklio veikimo principas yra paprastas: perkėlus jungiklio mygtuką, vidinis kilnojamasis kontaktas atidaro vieną grandinę, o antrasis automatiškai uždaromas (vadinamasis perjungimo kontaktas). Montavimas atliekamas trijų gyslų kabeliu. Norint supaprastinti montavimo darbus, jo laidininkai gamykloje turėtų būti pažymėti spalvomis. Pasirinkto laido dalis turi atlaikyti per ją sujungtą apkrovą.
Kadangi jungiklio kontaktų galia ribojama 10-16 A, montuojant dažniausiai naudojamas varis. Perėjimo jungiklyje būtina rasti bendrą terminalą (schemoje jis nurodomas skaičiumi „1”). Pirmame jungiklyje, esančiame arčiausiai jungties dėžutės, atnešame „fazę“ ir prijungiame prie bendro gnybto „1“. Svarbu! Naudodami valdiklį įsitikinkite, kad jungties dėžutėje esanti viela yra „fazė“. Prieš atlikdami montavimo darbus, išjunkite maitinimo įtampą. Dvigubas perėjimo jungiklis leidžia vienu metu valdyti kelias lempas. Pavyzdžiui, įjunkite lempą Nr.

Apšvietimo Valdymas iš Trijų Vietų
Kai kuriais atvejais nepakanka, kad būtų galima valdyti apšvietimą iš dviejų vietų. Norint efektyviai valdyti trijų aukštų laiptų apšvietimą, reikalingi bent trys valdymo taškai. Kaip matyti iš nagrinėjamos medžiagos, perėjimo jungiklių pagalba galima organizuoti vienos lempos valdymą iš dviejų skirtingų vietų.
Išvados
AT jungikliai yra pažįstama ir suprantama laidų įranga. Atrodytų, kad juose įmanoma sugalvoti ką nors naujo ir neįprasto, tačiau taip pat įmanoma. Perėjimo jungiklio iš dviejų vietų grandinė labai supaprastins didelių dviejų ir trijų aukštų namų, paprasto buto su praėjimo kambariu, apšvietimo valdymą. Perėjimo jungiklis - jei atsižvelgsime į jo veikimo ypatybes, jungiklis naudojamas valdyti vieną žibintą iš dviejų vietų. Tokia prietaiso schema leis ir gailės jūsų kojų.
Visas šias problemas galima išspręsti perėjimo jungikliu. Tai yra, galite jį įjungti vienoje vietoje, o kitoje - ir atvirkščiai. Jo veikimas nepriklauso nuo pastato aukščio, nuo jungiklių atstumo vienas nuo kito ar nuo patalpos dydžio. Įprasti jungikliai turi vieną kontaktą, o tokie jungikliai turi du, tai yra, jie gali perjungti fazę iš pirmo į antrą kontaktą ir atgal.
Kaip jau minėjome, „jungiklis“ nėra teisingas tokio įrenginio pavadinimas, nes jis ne išsijungia, o perjungia fazes, o tai reiškia, kad mes jį vadinsime teisingai, ty „perjungti“. Savo išvaizda jis neturi skirtumų, be to, yra puikių įprasto pažįstamo laidų įrenginio savybių. Kontaktiniame projekte yra funkcinių sprendimų.
Norėdami suprasti, būtina prisiminti, kaip veikia įprastas. Jis skirtas tiekti srovę į grandinę arba ne. Jei naudosite standartinį jungiklį, jis uždarys arba atidarys grandinę, o jungiklis atidarys jungtį, vieną kartą uždarant kitą grandinę. Tokių jungiklių veikimo principas yra panašus į balansavimo įrenginį. Nuotraukoje galite pamatyti įvairias diagramas, kur perėjimo jungikliai yra 2 vietų laidų schema.
Tokio jungiklio prijungimas nėra sudėtingesnis nei įprastas: vienintelis skirtumas yra tiekiamų kontaktinių gnybtų ir laidų skaičius. Kiekvienam tokios valdymo sistemos komponentui nuo jungties dėžutės iki šio jungiklio turi būti einama trijų laidų viela. Visų kontaktų susukimo dėžutę geriau įdėti šalia vieno iš jungiklių. Fazė yra prijungta prie bendro kontakto su įėjimu iš pirmojo jungiklio, du likusieji yra prijungti prie panašių antrojo jungiklio kontaktų. Bendras antrojo kontaktas turi būti prijungtas prie laido, kuris eina nuo valdomos lempos.